JSN-SR04T
JSN-SR04T
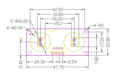
43*43*27 mm
Lloji i papërshkueshëm nga uji
≤75°
40±1.0 KHz
Transmetues ℜ marrës
| Disponueshmëria: | |
|---|---|
Specifikimi
Dalja e gjerësisë së pulsit |
Prodhimi serik |
|
Tensioni i funksionimit |
DC 5V |
|
Rryma e punës |
5 mA |
|
Frekuenca e punës |
40 kHz |
|
Gama më e gjatë |
450 cm |
|
Gama më e shkurtër |
21 cm |
|
Saktësia me rreze të gjatë |
± 1 cm |
|
Këndi i matjes |
75 ° |
|
Futni sinjalin e këmbëzës |
1. Impuls 1 0uS TTL 2. Komanda e dërgimit të portit serik 0X55 |
|
Sinjali i jehonës dalëse |
Sinjali i nivelit të gjerësisë së pulsit në dalje, ose TTL |
|
Lidheni |
3-5,5 V (fuqi pozitive) Modaliteti i instalimeve elektrikeTrig (fundi i kontrollit) RX Echo (terminali i daljes) TX GND (fuqi negative) |
|
Madhësia |
L43*W43*H27 mm |
|
Tensioni i funksionimit |
-20° C - +135 ° C |
|
Ngjyra |
Pllaka PCB është blu |
|
Gjatësia e telit |
Normalisht 1 metër, mund të personalizohet |
|
Vizatim i pamjes